クーリングシステム
エンジン
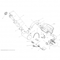
エキゾーストシステム
クランクシャフトピストンバランサーシャフト
シリンダーヘッド
エンジンブロック
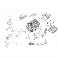
エアーインテークマニホールド スロットルボディー
オイルセパレーター