エンジン RXT300
クランクケース 300
クランクシャフトピストンバランサーシャフト300
シリンダーヘッド300
エンジンクーリング300
エンジンルーブケイション300
バルブトレイン300
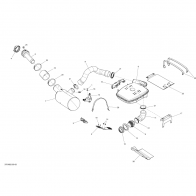
エキゾーストシステム