Engine 1503 NA
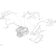
Cooling 1503 NA
Exhaust System - All Models
Crankshaft, Pistons And Balance Shaft
Cylinder Head And Exhaust Manifold
Engine Block
Engine Cooling
Engine Lubrication