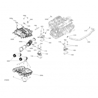
純正パーツカタログよりご注文又はお見積
BRP SEA DOO  2020年式  WAKE 170, 2020