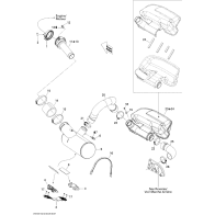
エンジン/エアインテークサイレンサー
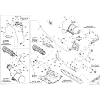
エキゾーストシステム
クーリングシステム
エンジンブロック
クランクシャフト/ピストン/バランサーシャフト
シリンダヘッド
オイルセパレーター
エアインテーク/スロットルボディー