クーリングシステム
エキゾーストシステム
エンジン/エアーインテークサイレンサー
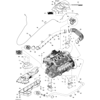
エンジンブロック
クランクシャフト/ピストン/バランサーシャフト
シリンダヘッド
オイルセパレーター
エアーインテーク/スロットルボディ