クーリングシステム
シリンダーヘッド
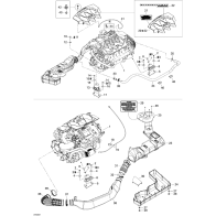
エンジン/エアーインテークサイレンサー
エンジンブロック
エキゾーストシステム
クランクシャフト/ピストン/バランサーシャフト
スーパーチャージャー
エアーインテークマニホールド/スロットルボディー