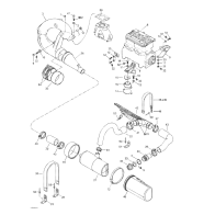
クーリングシステム
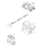
クランクケース/ロータリーバルブ
クランクシャフト/ピストン
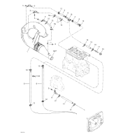
シリンダー/排気管
エンジンサポート/マフラー
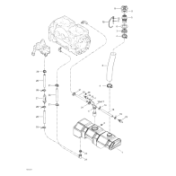
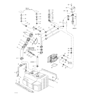
オイルインジェクション
オイルインジェクション/オイルポンプ/ロータリーバルブ
フューエルシステム