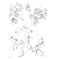
クーリングシステム
クランクケース/ロータリーバリュー
クランクシャフト/ピストン
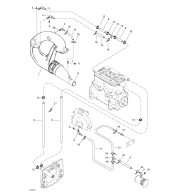
シリンダー/エキゾーストマニフォールド
エンジンサポート/マフラー
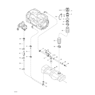
オイルインジェクションシステム
オイルインジェクションシステム/オイルポンプ/ロータリバリュー
フューエルシステム