GTX RFI 5886
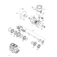
クランクシャフト/ピストン
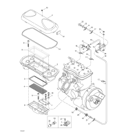
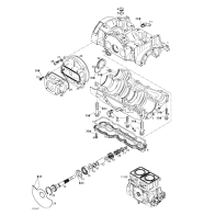
シリンダー/エキゾースト マニフォールド
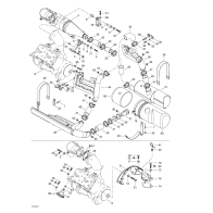
エンジンサポート/マフラー
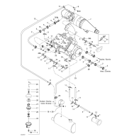
クーリングシステム
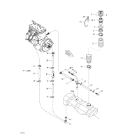
オイルインジェクションシステム
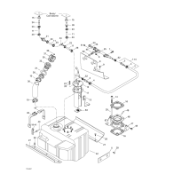
フューエルシステム
エアーインテークシステム