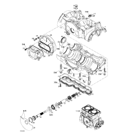
クランクケース/ロータリーバリュー
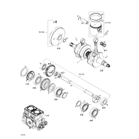
クランクシフト/ピストン
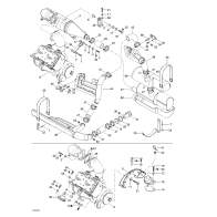
シリンダー/エキゾーストマニフォールド
エンジンサポート/マフラー
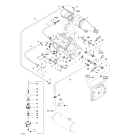
クーリングシステム
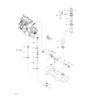
オイルインジェクションシステム
フューエルシステム
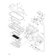
エアーインテークシステム