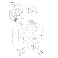
シリンダーエキゾーストマニフォールド
クーリングシステム
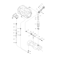
クランクケースロータリーバリュー
クランクシャフト/ピストン
エンジンサポート/マフラー
オイルインジェンクションシステム/オイルポンプ/ロータリーバリュー
オイルインジェンクションシステム
フューエルシステム