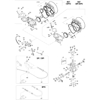
クーリングシステム
クランクケース/ロータリーバリュー
クランクシャフト/ピストン
シリンダー/エキゾーストマニフォールド
エキゾーストシステム
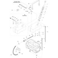
オイルインジェンクションシステム
オイルインジェンクションポンプ
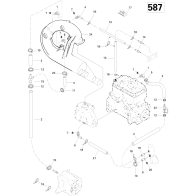
フューエルシステム