エキゾーストシステム
クーリングシステム
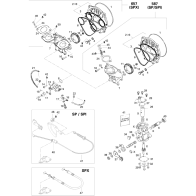
クランクケース/ロータリーバリュー
クランクシャフト/ピストン
シリンダー/エキゾーストマニフォールド
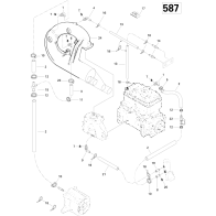
オイルインジェンクションポンプ
エアーインテーク
キャブレター