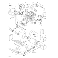
クランクケース
クランクシャフト/ピストン
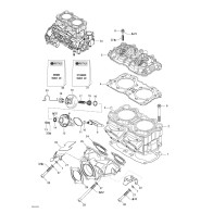
シリンダー/エキゾーストマニフォールド
エンジンサポート/マフラー
クーリングシステム
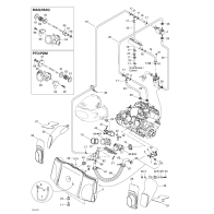
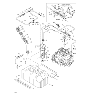
オイルインジェンクションシステム
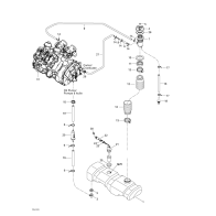
フューエルシステム
エアーインテークシステム