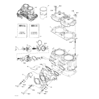
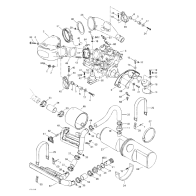
クランクケース/リードバリュー
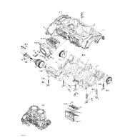
クランクシャフト/ピストン
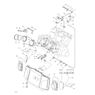
シリンダー/エキゾーストマニフォールド
エンジンサポート/マフラー
クーリングシステム
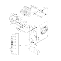
オイルインジェンクションシステム
フューエルシステム
エアーインテークシステム