クランクケースリードバリュー
クランクシャフト/ピストン
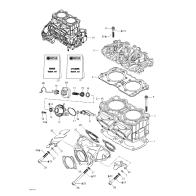
シリンダー/エキゾーストマニフォールド
エンジンサポート/マフラー
クーリングシステム
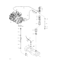
オイルインジェンクションシステム
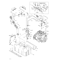
フューエルシステム
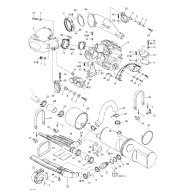
エアーインテークシステム