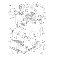
クランクケース/リードバリュー
クランクシャフト/ピストン
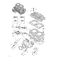
シリンダー/エキゾーストマニフォールド
エンジンサポートマフラー
クーリングシステム
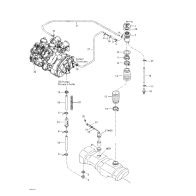
オイルインジェンクションシステム
フューエルシステム
エアーインテークシステム