クーリングシステム
エキゾーストシステム
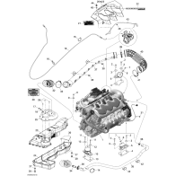
エンジンブロック
クランクシャフト/ピストン/バランスシャフト
シリンダーヘッド
エンジン/エアーインテークサイレンサー
フューエルシステム
オイルセパレーター