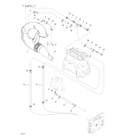
クーリングシステム
クランクケース/ロータリーバリュー
クランクシャフト/ピストン
シリンダーエキゾーストマニフォールド
エンジンサポートマフラー
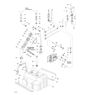
オイルインジェンクションシステム
オイルインジェンクションシステム/オイルポンプ
フューエルシステム