エンジンブロック
クランクシャフト ピストン バランサーシャフト
シリンダーヘッド
エンジン エアーインテークサイレンサー
クーリングシステム
エキゾーストシステム
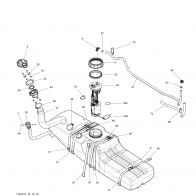
フューエルシステム
オイルセパレーター