クーリングシステム
エンジン
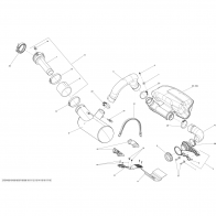
エキゾーストシステム
クランクシャフト ピストン バランサーシャフト
シリンダ ヘッド
エンジンブロック
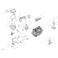
エアーインテークマニホールド スロットルボディー
オイルセパレーター