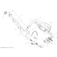
エキゾーストシステム
エンジン
クランクシャフト ピストン バランサーシャフト
シリンダ ヘッド
エンジンブロック
クーリングシステム
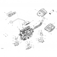
エアーインテークマニホールド スロットルボディー
オイルセパレーター