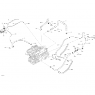
純正パーツカタログよりご注文又はお見積
BRP SEA DOO  2019年式  GTX FISH PRO 155