エンジン/エアインテークサイレンサー
エキゾーストシステム
エンジンブロック
クランクシャフト/ピストン/バランサーシャフト
シリンダヘッド
クーリングシステム
オイルセパレーター
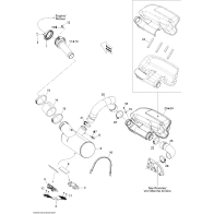
エアインテーク/スロットルボディー