クーリングシステム
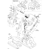
クランクケース/リードバリュー
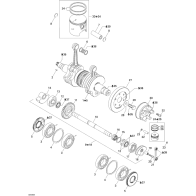
クランクシャフト/ピストン
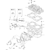
シリンダー/エキゾースト マニフォールド
エンジン
エキゾーストシステム
エアーインテークマニフォールド
フューエルシステム