クーリングシステム
クランクシャフト/ピストン/バランサーシャフト
シリンダーヘッド
エンジン/エアーインテーク
エンジンブロック
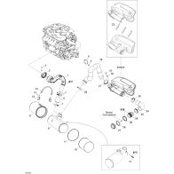
エキゾーストシステム
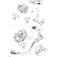
エアーインテークマニフォールド
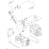
フューエルシステム