クーリングシステム
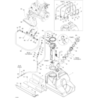
クランクケース/ロータリーバルブ
クランクシャフト/ピストン/バランサーシャフト
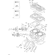
シリンダー/エキゾーストマニフォールド
エンジン
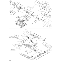
エキゾーストシステム
エアーインテーク
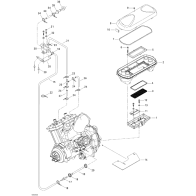
フューエルシステム