エンジンブロック
クランクシャフト/ピストン/バランサーシャフト
シリンダーヘッド
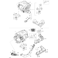
エンジンサポート/エアーインテーク
クーリングシステム
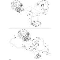
オイルセパレーター
エキゾースト
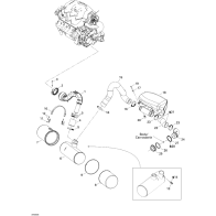
エアーインテークマニフォールド