クーリングシステム
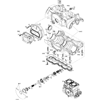
クランクケース/ロータリーバルブ
クランクシャフト/ピストン/バランサーシャフト
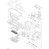
シリンダー/エキゾーストマニフォールド
エンジン
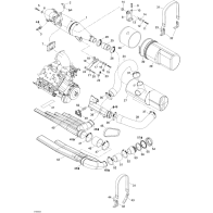
エキゾースト
エアーインテーク
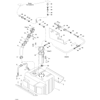
フューエルシステム