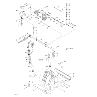
クーリングシステム
クランクケース/リードバリュー
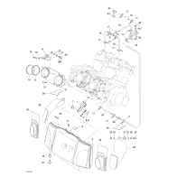
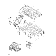
クランクシャフト/ピストン
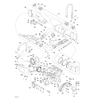
シリンダー/エキゾースト マニフォールド
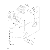
エンジンサポート/マフラー
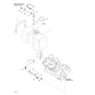
オイルインジェクションシステム
フューエルシステム
エアーインテークシステム