クーリングシステム
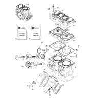
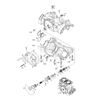
クランクケース/ロータリーバリュー
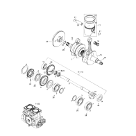
クランクシャフト/ピストン
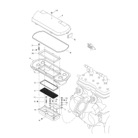
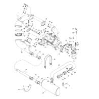
シリンダー/エキゾーストマニフォールド
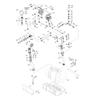
エンジンサポート/マフラー
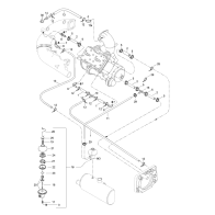
オイルインジェクションシステム
フューエルシステム
エアーインテークシステム