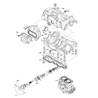
クランクケース/ロータリーバリュー
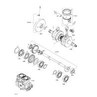
クランクシャフト/ピストン
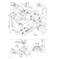
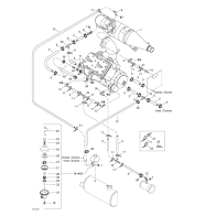
シリンダー/エキゾーストマニフォールド
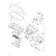
エンジンサポート/マフラー
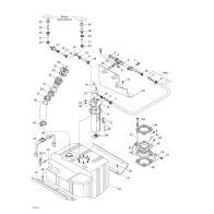
クーリングシステム
オイルインジェンクションシステム
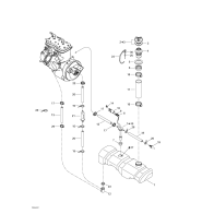
フューエルシステム
エアーインテークシステム