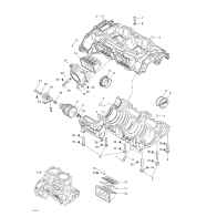
クランクケース
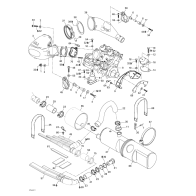
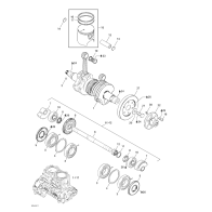
クランクシャフト/ピストン
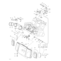
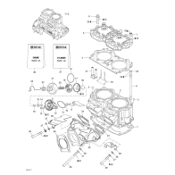
シリンダーエキゾーストマニフォールド
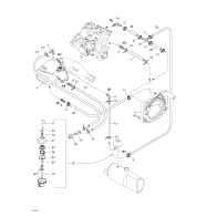
エンジンサポート/マフラー
クーリングシステム
オイルインジェンクションシステム
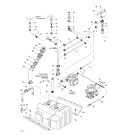
フューエルシステム
エアーインテーク