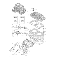
クランクケース/リードバリュー
クランクシャフト/ピストン
シリンダー/エキゾースト マニフォールド
エンジンサポート/マフラー
クーリングシステム
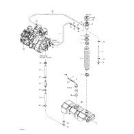
オイルインジェクションシステム
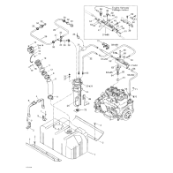
フューエルシステム
エアーインテークシステム