クーリングシステム
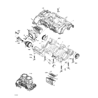
クランクケース/ロータリーバリュー
クランクシャフト/ピストン
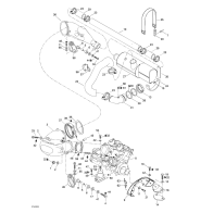
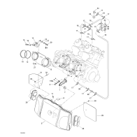
シリンダ/エキゾーストマニフォールド
エンジンサポート/マフラー
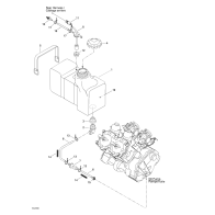
オイルインジェンクションシステム
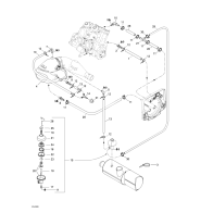
フューエルシステム
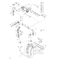
エアーインテークシステム