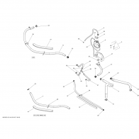
クーリングシステム
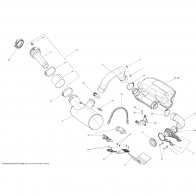
エキゾーストシステム
クランクシャフトピストンバランサーシャフト
シリンダーヘッド
エンジンブロック
エンジン
エアーインテークマニホールド スロットルボディー
オイルセパレーター