クーリングシステム
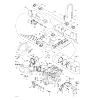
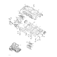
クランクケース/リードバリュー
クランクシャフト/ピストン
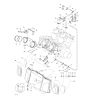
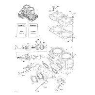
シリンダー/エキゾーストマニフォールド
エンジンサポート/マフラー
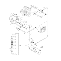
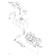
オイルインジェンクションシステム
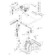
フューエルシステム
エアーインテークシステム